Filtr odkwaszający BR_BOK-166S-HH
        SKU: BR_BOK-166S-HH
    
        
        
                                    Na stanie
        
        
    
        
        
                    Producent:
                BLUEREF
    
        
        

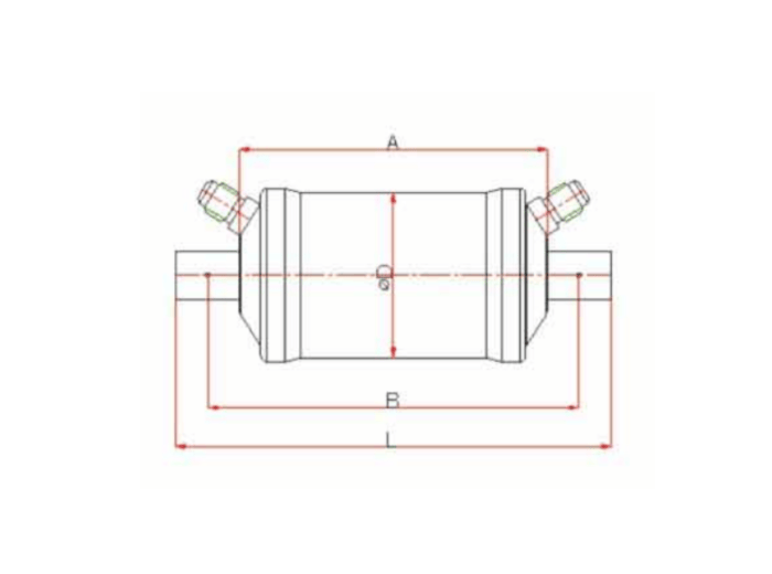
Filtr odkwaszający  BR_BOK-166S-HH z miedzianym przyłączem do lutowania to produkt rekomendowany do instalacji chłodniczych i klimatyzacyjnych, w których miało miejsce spalenia sprężarki. Wkład filtra odkwaszacza składa się ze stałego rdzenia i aktywnego tlenku glinu, dzięki czemu możliwe jest skuteczne odseparowanie wilgoci oraz kwasu powstałego w wyniku spalenia silnika sprężarki oraz ochrona nowej sprężarki przed awarią. Filtr wyposażony jest w 2 zawory Schradera umożliwiające pomiar spadku ciśnienia w filtrze odwadniaczu.
                                    Orientacja instalacji:
                                    dowolna pod warunkiem, że strzałka wskazuje kierunek przepływu
    
            
                                
                                    Odporność na korozję:
                                    tak, wykończenie farbą proszkową epoksydową
    
            
                                
                                    Max. ciśnienie:
                                    680 psig
    
            
        
        
